メソネットワークノードの定義のルールと例

Vissimがメソスコピックシミュレーションで交錯をリアルにモデリングできるように、メソネットワークノードを正しくモデリングする必要があります。正確性のレベルは、メソスコピックシミュレーションでの動的配分の結果に決定的な影響を及ぼすことになります。ネットワークエディターで個々のメソネットワークノードを手動で定義する場合は、メソネットワークノードの定義のルールに従います。このルールは、ノードを手動で定義しないで Vissim ネットワーク全体のメソネットワークノードを作成する場合に自動的に適用されます(Vissim ネットワーク全体のメソネットワークノードの作成)メソネットワークノードのモデリングを開始する前に、メソネットワークノードのサンプルを確認し、正しい定義および正しくない定義の説明をよく読んでおくようにしてください。メソネットワークノードのモデリングに関する指示に従ってください(メソネットワークノードのモデリング)

メソネットワークノードの定義のルール

  • ルール1:メソネットワークノードは、コネクターの開始点または終了点が1つ以上あるリンク上のどこにでも定義する必要がある。

例外 - 公共交通待避所: 待避所のリンクに向かうコネクターの開始点と終了点、および待避所から元のリンクに向かうコネクターの開始点と終了点では、メソネットワークノードを定義する必要はありません。

  • [Rule 2]-[ルール2]:各交差点には、メソネットワークノードを1つ以上定義する必要がある。ノード形状によっては、複数のメソネットワークノードを定義できます。

無信号の交差点には「すべての交錯エリアを定義する」というルールが適用されます。個々のメソネットワークノードに配置する交錯エリアを決定するには、次の点を確認してください。

  • 車両はどこで停止すると想定されるか。すべてのターン交錯では、車両はメソネットワークノードで停止します。そのエッジが実際の車両の停止位置(停止線など)と大まかに一致するように、メソネットワークノードをモデリングします。
  • メソネットワークノードのすべてのターン交錯に関連するメソネットワークノードに達するための通行権を持つ車両によって、流入側のメソエッジが使用されるか。ノードのサイズと位置によって、通行権を持つ車両がどのメソエッジをエッジと認識するかが決まります (メソ交錯に関連するエッジと関連しないエッジ)
  • 通行権を持つ車両が使用する流入側のメソエッジが、メソネットワークノードに到達するための旅行時間はどのくらいかかるか。この旅行時間は、サブ交通流のメソクリティカルギャップよりも長くなければなりません。

信号設置交差点では、停止位置とストレージ容量が決定因子になります。車両は常にメソネットワークノードで停止します。1つのメソネットワークノードのみでは現実の状況をモデリングできない場合は、チャンネル化された右折の場合など、複数のノードををモデリングします。

つまり、メソターンの [Defining links]-[リンク定義] のそれぞれが同じ値を持つ必要あるということです (メソターンの属性)

注意: メソネットワークノードの定義に適用される制限事項と情報に注意してください ([Creating]-[作成] メソネットワークノード)

メソネットワークノードの定義に対するルールの適用例

次の例は、交差点をモデリングする際に適用されるルールを示しています。まず、メソネットワークノードの影響、交錯エリアで車両が停止する位置、妥当と認識されるエッジの例を紹介します。

次に、さまざまなタイプの交差点のモデリングにルールがどのように影響を与えるかを説明します。さまざまなネットワークオブジェクトに関して、メソグラフ構造とシミュレーションへのルールの影響が示されています。

メソネットワークノードの位置が正しい場合誤っている場合の結果

次の例では、9つのターン交錯のある三叉路のエッジにおける、メソクリティカルギャップとしての旅行時間の意味を説明しています。9つのメソネットワークノードは、9つのターン交錯(1~9)において手動で定義されたものです。

メソネットワークノードに至るエッジの旅行時間が、メソネットワークノードにおける交錯のメソクリティカルギャップよりも短い場合は、このタイプのモデリングは推奨されません。この場合、メソスコピックシミュレーションで交錯が正しくモデリングされません。以下の図はその様子を示しており、説明がその下に記載されています。

状況: 車両が下方向から接近し、上方向に左折します。

 

この交錯は、メソスコピックシミュレーションで正しくモデリングされません。

  • [Cause]-[原因]:ノードに至る一部のエッジの旅行時間が短すぎます。
  • [Effect]-[結果]:車両も誤った位置に停止します。
  • 車両は、所定通りに、ノード9、位置aの交錯で停止します。
  • 車両は、ノード6、位置bの交錯で停止し、ノード56の間のエッジにのみ注意を払います。ノード56の間のエッジにおける旅行時間が、交錯に入力したメソクリティカルギャップよりも短くなる場合、その旅行時間はクリティカルギャップとして働きます。同じことがサブノードにも当てはまります。
  • 車両は、ノード3、位置cの交錯で停止し、ノード32の間のエッジにのみ注意を払います。ノード32の間のエッジにおける旅行時間が、交錯に入力したメソクリティカルギャップよりも短くなる場合、その旅行時間はクリティカルギャップとして働きます。
  • 車両は、ノード1、位置dの交錯で停止し、ノード12の間のエッジにのみ注意を払います。ノード12の間のエッジにおける旅行時間が、交錯に入力したメソクリティカルギャップよりも短くなる場合、その旅行時間はクリティカルギャップとして働きます。

車両が誤った位置に停止し、メソネットワークノードに至るエッジの旅行時間が非常に短くなる場合は、旅行時間がクリティカルギャップとして働きます。次に、Vissimはメソスコピックシミュレーションにおける交錯をリアルにモデリングできません(上図を参照)。

たとえば、ノード3(図の上部)のメソネットワークノードが定義されていない場合、Vissimはその交錯を認識せず、メソスコピックシミュレーションで交錯が無視されます。

[Solution]-[解決方法:このようなタイプの交差点で交錯間のエッジが短くなるり、定義されたメソネットワークノードが1つだけの場合、Vissimは、メソスコピックシミュレーションで交錯をリアルにモデリングできます。メソネットワークノードが1つだけの場合、左折車両の停止位置はその後のすべての交錯で1つのみとなります。流入側のエッジの旅行時間に十分な長さがあり、車両は正しい位置で停止します。下図はその様子を示しており、説明がその下に記載されています。

[Correct modeling]-[正しいモデリング]:交錯地点のノードに至るすべてのエッジでの旅行時間に十分長さがある。これにより、車両は必ず正しい位置に停止します。

  • 黒い点の交錯11によって、車両は、ノード1からノード2に至るエッジを認識します。このエッジの旅行時間が交錯のメソクリティカルギャップよりも長い場合、指定した値(3.5 sなど)がクリティカルギャップとして使用されます。
  • 赤い点の交錯2233によって、車両は、ノード32の間の流入側のエッジを認識します。このエッジの旅行時間が交錯のメソクリティカルギャップよりも長い場合、指定した値(3.5 sなど)がクリティカルギャップとして使用されます。

メソ交錯に関連するエッジと関連しないエッジ

左の図は、複数のメソネットワークノードが正しく配置されているラウンドアバウト(右側通行)の例です。右側の図では、ラウンドアバウトをまたいでメソネットワークノードが1つだけ配置されています。次の2つの図は、メソネットワークノードに停止したときに車両が認識するメソエッジを示しています。

  • [Correctly modeled-[正しいモデリング]:左側の図のモデリングでは、車両は関連するメソエッジ(2つのメソネットワークノード間の黄色の部分)を認識します。エッジは、車両の停止位置となる、正しく配置されたメソネットワークノードに直接つながっています。正しいメソクリティカルギャップが使用されます。
  • [Incorrectly modeled-[誤ったモデリング]:右の図のモデリングでは、車両は関連するメソノードを認識できません。メソネットワークノード内の交錯では、例えばラウンドアバウトへの車両の進入に対して、車両は関連性のないメソエッジ(左、上、右からメソネットワークノードにつながる黄でハイライトされた3つのメソエッジ)のみを認識します。車両は、左の図にあるようにはノードを認識することができません。つまり、正しいメソクリティカルギャップを考慮することができません。車両は自らのメソノードしか認識できないため、メソネットワークノードで停止し、右、上、左から来る車両を優先します。

正:車両は関連するメソエッジを認識する(下部の2つのメソネットワークノードの間の黄色の部分)。

 

 

誤:車両は関係のないメソノードのみを認識する(黄色)

 

 

:車両は、下から接近し、右折してラウンドアバウトに入ろうとしています

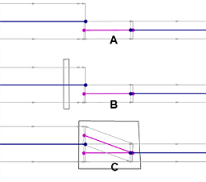
車線の数が変更されたエリアのノード

車線の数が変更されたエリアのモデリングにはいくつかの方法があります。これらは、メソスコピックシミュレーションの動的配分にさまざまな方法で影響を及ぼします。下図はその様子を示しており、下表にはその説明が記載されています。

コネクターによって二車線リンクが一車線リンクにつながっています。

車両はメソノードの終了地点でのみ車線を変更できます。これは、Vissimで自動生成されたメソノードとモデリングされたメソネットワークノードに適用されます (メソスコピックノード-エッジモデル)

[Modeling]-[モデリング] [Situation]-[状況] [Mesoscopic simulation]-[メソスコピックシミュレーション]
A
  • 1つのコネクター
  • モデリングされたメソネットワークノードでないもの
  • Vissimは、コネクターの開始地点にメソノードを自動的に生成します。
  • 二車線リンクでは、車両は右車線のみを使用しますが、これは非現実的です。
B
  • 1つのコネクター
  • モデリングされたメソネットワークノード
  • Vissimは、コネクターの開始地点にメソノードを自動的に生成します。ここでは、メソネットワークノードを手動で定義する必要はありません。このメソネットワークノードは、Aとは異なり、両方の車線を使用して車線変更を可能に設定できるように手動で定義されます。
  • 二車線リンクでは、車両は両方の車線を使用することができます。車両は、モデリングされたメソネットワークノードに到達するまで左車線を使用することができます。このメソネットワークノードの終了地点では、すべての車両が左車線から右車線に車線変更する必要があります。
C
  • 2つのコネクター
  • モデリングされたメソネットワークノード
  • 二車線リンクでは、車両は両方の車線を使用することができます。
  • 動的配分では、いずれかのコネクターが閉鎖されると、経路探索に使用できるのは1つのコネクターのみです。ただし、メソスコピックシミュレーションの場合は、両方のコネクターが引き続き使用可能になります。
  • エッジ閉鎖を、動的配分のいずれかのエッジに適用します。こうすることによって、動的配分における並列エッジを回避できます。並列エッジがあると、利用可能な経路の数が大幅に増加します。
コネクターによって一車線リンクが二車線リンクにつながっています。

[Modeling]-[モデリング] [Situation]-[状況] [Mesoscopic simulation]-[メソスコピックシミュレーション]
D
  • 1つのコネクター
  • モデリングされたメソネットワークノードでないもの
  • Vissimは、コネクターの終了地点にメソノードを自動的に生成します。
  • 車両は二車線リンクの両方の車線を使用できます。右側の車線を使用するには、車両は車線を変更する必要があります。車線変更には、車線選択中にペナルティーが付与されます。そのため、左車線が優先されます。
E
  • 2つのコネクター
  • モデリングされたメソネットワークノード
  • 二車線リンクでは、車両は両方の車線を使用することができます。両方の車線に簡単に到達できるため、車線変更は必要なく、両方の車線が車両経路として使用できる場合は、車両はそれぞれの車線に均一に分配されます。
  • エッジ閉鎖を、動的配分のいずれかのエッジに適用します。こうすることによって、動的配分における並列エッジを回避できます。並列エッジがあると、利用可能な経路の数が大幅に増加します。

[Modeling connectors in meso network nodes]-[メソネットワークノードのコネクターのモデリング]

[Rule]-[ルール] [Description]-[説明]
1

メソネットワークノードは、開始または終了するコネクターが1つ以上あるリンク上に定義する必要がある。

 

  • リンクはノードにつながる。
  • 2つのコネクターがノード外部につながる。
  • コネクターは完全にノード内にある必要はない。
  • コネクターはノード内で始まる必要がある。

正:

誤:

 

[Rule]-[ルール] [Description]-[説明]
1

メソネットワークノードは、開始または終了するコネクターが1つ以上あるリンク上に定義する必要がある。

 

  • コネクターは完全にノード内にある必要はない。
  • 左側のメソノード:2つのコネクターがノードにつながる。コネクターはノード内で終了する必要がある。
  • 右側のメソノード:2つのコネクターがノード外部につながる。コネクターはノード内で始まる必要がある。

正:

誤:

 

[Rule]-[ルール] [Description]-[説明]
1

メソネットワークノードは、開始または終了するコネクターが1つ以上あるリンク上に定義する必要がある。

 

一車線リンクから二車線リンクへの移行を2つのコネクターにまたがってモデリングする場合は、これら全体がノード内にある必要がある。

正:

誤:

 

[Rule]-[ルール] [Description]-[説明]
3

ターンメソエッジの次のプロパティーを変更してはならない。

 

  • 車線数は、メソネットワークノード内にある各定義リンクと同じである必要がある。
  • ただし、流入側のメソエッジの車線の数と流出側のメソエッジの車線の数は異なる場合がありります。

正:

誤:

信号設置の交差点のモデリング

[Rule]-[ルール] [Description]-[説明]
2

各交差点には、メソネットワークノードを1つ以上定義する必要がある。ノード形状によっては、複数のメソネットワークノードを定義できます。

 
  • 信号機はリンクまたはコネクターに定義できます。
  • 信号機はメソネットワークノード内に配置します。
  • 信号機からノードの境界線までの距離が5 m未満の場合、ソフトウェアは別のメソノードを自動的に生成しません。次に、Vissimは、車両はノードの境界線に停止し、信号機はノードに属すると想定します。
  • 信号機からノードの境界線までの距離が5 mを超えている場合は、Vissimが追加のメソノードを自動的に生成します。
  • メソノード同士の位置が近すぎる場合は、それぞれのノード間のエッジも短くなるため、状況によっては、Vissimが運転挙動をリアルにモデリングすることができません。Vissimでは、ノードにつながるエッジの車両のみが考慮され、さらに下流のノードのものは考慮されません。

その意味を右下の図に示します:

信号機が交差点のメソネットワークノードから10 mの位置にある場合、Vissimは信号機にメソノードを自動的に生成します。すると、2つのノード間のエッジの長さは10 mになります。このエッジを10 m/sで走行する車両の旅行時間は1 sになります。車両は、メソノードを超えて左側から接近する車両に対して走路を譲るべきかどうかを判断できないため、この秒数は、定義されている実際のメソクリティカルギャップに関係なく、右から接近して左に折する車両のクリティカルギャップとして機能します。クリティカルギャップが1 sでは、車両が他車に譲るための十分な時間の余裕がありません。

解決方法:a)メソネットワークノード内に信号機を配置する、b)信号機とメソネットワークノード間の距離を5 m以内に短縮する、c)ノードにつながるエッジが、エッジの旅行時間がノードのターン交錯のメソクリティカルギャップよりも長くなるのに十分に長いことを確認します。

 

正:信号機を、メソネットワークノード内または、ノードから5 m以内に設置します。

非推奨:メソネットワークノードからの距離が5 mを超える位置に信号機を配置します。

車線幅員が増大する交差点のモデリング

[Rule]-[ルール] [Description]-[説明]
2

各交差点には、メソネットワークノードを1つ以上定義する必要がある。ノード形状によっては、複数のメソネットワークノードを定義できます。

 
  • ノード内で車線幅員の増大がであってはならない。
  • メソグラフを作成すると、Vissimがタイプ [Other]-[その他] のメソノードを車線幅員の増大が始まる場所に自動的に生成します (メソノードの属性)
 

正:

誤:

バイパスとチャネリングされたターンがある交差点のモデリング

[Rule]-[ルール] [Description]-[説明]
2

各交差点には、メソネットワークノードを1つ以上定義する必要がある。ノード形状によっては、複数のメソネットワークノードを定義できます。

 
  • [Rule 1]-[ルール1]に従い、メソネットワークノードは、バイパスが開始および終了する分岐位置に配置する必要があります。これらのノードは、属性 [Use for mesoscopic simulation]-[メソスコピックシミュレーションに使用] を持つ必要があります。右の図では、左から右へ(下向きに)接近する車両は、右折車線の開始地点、つまり交差点全体を表す大きなノードで常に待機します。これは推奨されません。左側の図では、車両は右折車線の終了地点、つまりこの目的でモデリングされた小さなメソネットワークノードで待機します。
  • さらに、交差点自身がメソネットワークノード内にある必要があります。
 

正:

非推奨:

ラウンドアバウトのモデリング

注意: 次は、単純なラウンドアバウト(一車線、バイパスなし、あるいはバイパスありの場合でも1つのみ、出入口が少ない場合など)のモデリング時のヒントです。より複雑なラウンドアバウトや、交錯をメソスコピックシミュレーションで正しくモデリングできないラウンドアバウトをモデリングする場合は、セクションを定義し、ハイブリッドシミュレーションを実行します (ハイブリッドシミュレーションの使用)

 

[Rule]-[ルール] [Description]-[説明]
2

各交差点には、メソネットワークノードを1つ以上定義する必要がある。ノード形状によっては、複数のメソネットワークノードを定義できます。

 
  • 各分岐点と出入口はメソネットワークノード内にある必要がある。
  • コネクターは完全にノード内にある必要はない。
  • ルール1に従い、メソネットワークノードは、バイパスが開始および終了する分岐位置に配置する必要があります。これらのノードは、属性 [Use for mesoscopic simulation]-[メソスコピックシミュレーションに使用] を持つ必要があります。
 

正:

誤:

出口と次の入口との間の距離に応じて、[approach A]-[アプローチA]または[approach B]-[アプローチB]のいずれかに従って、ラウンドアバウトのメソネットワークノードをモデリングします。これは、以下の図とその説明に図示されています。

[Description of approach A]-[アプローチAの説明]

出口から下流の次の入口までの距離が十分にある場合は、出口と入口のそれぞれにメソネットワークノードを定義します。次のような状況の場合がこれに該当します。

  • [Condition 1]-[条件1]:ラウンドアバウトの出口xと下流の次の入口yとの間の旅行時間が、yの交錯のメソクリティカルギャップ以上の場合txy > tCG(y)。この条件を満たさなくても、次の条件のいずれかを満たす場合は、アプローチAを使用してラウンドアバウトをモデリングできます。
  • [Condition 2]-[条件2](右側通行の場合):ラウンドアバウトの出口xと下流の次の入口yとの間の旅行時間が、車線の上流の入口bと下流の出口xとの間の旅行時間以上の場合tbx < txyyの交錯では、クリティカルギャップは、出口xと下流の次の入口yとの間のラウンドアバウトの旅行時間になります。

正:

txy > tCG(y)またはtbx < txy

 

ネットワークをVisumからエクスポートし、ANM経由でVissimにインポートする場合、Vissimは、アプローチAに基づいてメソネットワークノードを自動的に生成します。これらのノードを、後で編集し直す必要はありません (ANMインポートから生成されたネットワークオブジェクト)。以下の表には、アプローチAが条件1を満たすための、クリティカルキャップを3.5 sとしたときの、出口xと下流の次の入口yの最短距離を示すさまざまな速度が記載されています。

ラウンドアバウトの車線における車両速度 [min. distance [m] x-y to meet condition 1]-[条件1を満たすための最短距離 [m] x-y]
m/s km/h
1 3.6 3.5
2 7.2 7.0
3 10.8 10.5
5 18 17.5
7 25.2 24.5
10 36 35.0
14 50.4 49
[Description of approach B]-[アプローチBの説明]

出口から下流の次の入口までの距離が十分にない場合は、出口と入口の両方に共通のメソネットワークノードを定義します。これは、次の2つの条件が同時に発生した場合に該当します。

  • ラウンドアバウト車線の入口bと下流の次の出口xとの間の旅行時間が、出口xから下流の次の出口yまでの移動時間を超え、tbx > txyかつ、
  • ラウンドアバウト車線の出口xと下流の次の入口yとの間の旅行時間が、yの交錯のメソクリティカルギャップよりも小さい場合txy < tCG(y)

正:

tbx > txyかつ txy < tCG(y)

 

次の2つの図は、誤ったアプローチを使用してメソネットワークノードした場合の例を示しています。これらのアプローチでは、メソスコピックシミュレーションで交錯をモデリングした場合に、正しい結果が表示されません。

[Incorrect approach 1]-[誤ったアプローチ1]:入口リから下流の次の出口までの距離が十分にない。結果的に、それぞれのノードで生成される交錯が多くなりすぎます。

  • 4つのメソターンエッジ:
  • ラウンドアバウトから
  • 入口から
  • ラウンドアバウトへ
  • 出口へ
  • 6つのメソターン交錯

[Sokution]-[解決方法]:入口と下流の次の出口が近接している場合は、メソネットワークノード間のエッジが短くなってしまうとしても、アプローチAを使用します。この場合、2つのメソネットワークノードのそれぞれに作成される結合または分岐は1つのみとなります。分岐する交錯では、メソネットワークノードから短いエッジが出ることがあっても問題にはなりません。

 

 

[Incorrect approach 2]-[誤ったアプローチ2](下図):ラウンドアバウトのすべての交錯に対してメソネットワークノードが1つだけ定義されています。結果:交錯はリアルにモデリングされず、車両は誤ったに停止し、交錯の車間時間は関係のないエッジから算出されます。

 

 

[Modeling reduced speed areas on links]-[リンクの減速エリアのモデリング]

[Description]-[説明]
  • リンクの減速エリアは、リンクで車両ベースのメソ速度モデルを使用した場合にのみ考慮されます。
  • 一番上の図では、減速エリアに指定された速度分布は、右車線の西(左)から東(右)に旅行する車両のメソノード全体に影響を及ぼします。
  • 減速エリアによる影響を局所的なものに限定する場合は、メソネットワークノードを挿入する必要があります (ノードの定義)。減速エリア全体がノード内に納まっている必要があります。ノード内のメソエッジは、減速エリアの速度分布の影響を受けるターンメソエッジです。
  • 希望速度決定は、メソスコピックシミュレーションにおける方法と同じ方法で処理されます。

リンクでの信号コントローラーのモデリング

[Description]-[説明]
  • リンクの信号機にはノードを作成する必要はありません。
  • その場合、タイプ [Other]-[その他] のメソノードがリンク上で自動的に生成されます (メソノードの属性)。この際、Vissimによって2つのメソエッジが自動的に生成されます。