Regeln und Beispiele für die Definition von Meso-Netzknoten
Meso-Netzknoten müssen korrekt modelliert sein, damit Vissim Konflikte in der mesoskopischen Simulation realistisch abbilden kann. Dies beeinflusst entscheidend das Ergebnis der dynamischen Umlegung mit mesoskopischer Simulation. Halten Sie die Regeln für die Modellierung von Meso-Netzknoten konsequent ein. Schauen Sie sich die Beispiele für die korrekte und falsche Definition von Meso-Netzknoten an und lesen Sie die Beschreibungen dazu, bevor Sie Meso-Netzknoten modellieren.
Regeln für die Definition von Meso-Netzknoten
- Regel 1: Meso-Netzknoten müssen überall dort definiert werden, wo auf einer Strecke mehr als eine Verbindungsstrecke beginnt oder endet.
Ausnahme Haltestellenbucht: Sie müssen keine Meso-Netzknoten definieren am Beginn und Ende der Verbindungsstrecke, die zu der Strecke einer Haltestellenbucht führt sowie am Beginn und Ende der Verbindungsstrecke, die von der Haltestellenbucht zur ursprünglichen Strecke führt.
- Regel 2: Für jeden Knotenpunkt muss mindestens ein Meso-Netzknoten definiert werden. Abhängig von der Knotengeometrie können mehrere Meso-Netzknoten benötigt werden.
Für vorfahrtgeregelte Knotenpunkte gilt: Alle Konfliktflächen müssen definiert werden. Für die Entscheidung, welche Konfliktflächen in separaten Meso-Netzknoten liegen sollen, überprüfen Sie:
- Wo soll das Fahrzeug anhalten? Das Fahrzeug hält für alle Abbiegekonflikte im Knoten immer vor dem Meso-Netzknoten. Modellieren Sie den Meso-Netzknoten so, dass die Kante des Meso-Netzknoten der Anhalteposition des Fahrzeugs der Realität ungefähr entspricht, beispielsweise einer Haltlinie.
- Sind die eingehenden Meso-Kanten, von der die bevorrechtigten Fahrzeuge den Meso-Netzknoten erreichen, für alle Abbiegekonflikte im Meso-Netzknoten relevant? Die Größe und die Platzierung des Knotens entscheiden, welche Meso-Kanten als Kanten mit bevorrechtigten Fahrzeugen wahrgenommen werden (Relevante und nicht relevante Kanten für Meso-Konflikte).
- Wie groß ist die Reisezeit auf der eingehende Meso-Kante, von der die bevorrechtigten Fahrzeuge den Meso-Netzknoten erreichen? Diese Reisezeit sollte größer sein als die Meso-Grenzzeitlücke des untergeordneten Stroms.
Für signalisierte Knotenpunkte gilt: Maßgebend sind die Anhalteposition und die Aufstellkapazität. Das Fahrzeug hält immer vor dem Meso-Netzknoten an. Falls die reale Situation nicht nur mit einem Meso-Netzknoten nachgebildet werden kann, modellieren Sie mehrere Knoten, beispielsweise für einen getrennt geführten Rechtsabbieger.
- Regel 3: Auf Abbieger-Meso-Kanten dürfen sich nicht ändern:
- die Anzahl der Fahrstreifen
- der Streckenverhaltenstyp
- die Meso-Geschwindigkeit, wenn das Meso-Geschwindigkeitsmodell Streckenbezogen ausgewählt ist (Fahrzeugfolgemodell der Mesoskopischen Simulation)
Damit müssen die Definierenden Strecken des Meso-Abbiegers jeweils die gleichen Werte haben (Attribute von Meso-Abbiegern).
|
Hinweis: Beachten Sie die Einschränkungen und Hinweise, die für das Definieren von Meso-Netzknoten gelten (Meso-Netzknoten definieren). |
Beispiele für die Anwendung der Regeln für die Definition von Meso-Netzknoten
Die folgenden Beispiele zeigen, wie die Regeln bei der Modellierung von Knotenpunkten zur Anwendung kommen. Zunächst wird gezeigt, welche Auswirkung die Position von Meso-Netzknoten darauf hat, an der ein Fahrzeug vor einer Konfliktfläche anhält und welche Kanten das Fahrzeug als relevant wahrnimmt:
- Folgen falscher und korrekter Positionierung von Meso-Netzknoten
- Relevante und nicht relevante Kanten für Meso-Konflikte
Danach wird erläutert, wie sich diese Regeln bei der Modellierung von verschiedenen Knotenpunkten auswirken. Für verschiedene Netzobjekte wird die Wirkung auf den Aufbau des Meso-Graphen und auf die Simulation erklärt:
- Knoten in Bereichen, in den sich die Anzahl der Fahrstreifen ändert
- Verbindungsstrecken in Meso-Netzknoten modellieren
- Signalisierten Knotenpunkt modellieren
- Knotenpunkt mit Fahrstreifenaufweitung modellieren
- Knotenpunkt mit Bypass und Dreiecksinsel modellieren
- Kreisverkehre modellieren
- Langsamfahrbereiche auf Strecken modellieren
- LSA auf Strecken modellieren
Folgen falscher und korrekter Positionierung von Meso-Netzknoten
Das folgende Beispiel beschreibt für eine dreiarmige Kreuzung mit neun Abbiegekonflikten die Bedeutung der Reisezeit als Meso-Grenzzeitlücke auf einer Kante. An den neun Abbiegekonflikten sind manuell neun Meso-Netzknoten definiert (1 bis 9):
Eine derartige Modellierung ist nicht empfohlen, wenn die Reisezeit auf einer Kante geringer ist, als die Meso-Grenzzeitlücke des Konflikts in dem Meso-Netzknoten, in den diese Kante hineinführt. Dadurch werden die Konflikte in der mesoskopischen Simulation falsch abgebildet. Dies zeigt die folgende Abbildung und erläutert die Beschreibung darunter.
|
Situation:
|
|---|
|
Die Konflikte werden in der mesoskopischen Simulation falsch abgebildet:
|
Wenn das Fahrzeug an einer falschen Stelle anhält und die Reisezeit an der Kante sehr niedrig ist, die in den Meso-Netzknoten führt, wirkt diese Reisezeit als Grenzzeitlücke und Vissim kann Konflikte in der mesoskopischen Simulation wie im Bild oben nicht realistisch abbilden.
Wenn beispielsweise für den Knoten 3 im Bild oben kein Meso-Netzknoten definiert wird, erkennt Vissim an dieser Stelle keinen Meso-Konflikt und der Konflikt wird in der mesoskopischen Simulation ignoriert.
Lösung: Wenn für derartige Kreuzungen mit kurzen Kanten zwischen Konflikten jeweils nur ein Meso-Netzknoten definiert wird, kann Vissim Konflikte in der mesoskopischen Simulation realistisch abbilden. Bei nur einem Meso-Netzknoten hat das linksabbiegende Fahrzeug nur eine Halteposition und zwar für alle aufeinander folgenden Konflikte. Die Reisezeiten sind an den eingehenden Kanten ausreichend groß und das Fahrzeug hält an der richtigen Stelle an. Dies zeigt die folgende Abbildung und erläutert die Beschreibung darunter:
Korrekte Modellierung: Die Reisezeiten sind an allen Kanten ausreichend groß, die in die Knoten an den Konfliktstellen hineinführen. Dadurch hält das Fahrzeug an den korrekten Stellen an:
- Das Fahrzeug nimmt für den Konflikt 11 im schwarzen Punkt die Kante wahr, die von Knoten 1 in den Knoten 2 hinein führt. Wenn die Reisezeit auf dieser Kante größer ist, als die Meso-Grenzzeitlücke für den Konflikt, wirkt als Grenzzeitlücke der eingegebene Wert, beispielsweise 3,5 s.
- Das Fahrzeug nimmt für die Konflikte 22 und 33 in den roten Punkten die eingehende Kante zwischen den Knoten 3 und 2 wahr. Wenn die Reisezeit auf dieser Kante größer ist, als die Meso-Grenzzeitlücke für den Konflikt, wirkt als Grenzzeitlücke der eingegebene Wert, beispielsweise 3,5 s.
Relevante und nicht relevante Kanten für Meso-Konflikte
Dieses Beispiel zeigt einen Kreisverkehr (Rechtsverkehr), für den im linken Bild mehrere Meso-Netzknoten korrekt platziert sind und im rechten BiId nur ein Meso-Netzknoten über den gesamten Kreisverkehr platziert ist. Die beiden folgenden Abbildungen zeigen, welche Meso-Kanten das Fahrzeug wahrnimmt, wenn es vor dem Meso-Netzknoten anhält:
- Richtig modelliert: Die Modellierung im linken Bild stellt sicher, dass das Fahrzeug die relevante Meso-Kante (gelb zwischen den unteren beiden Meso-Netzknoten) wahrnimmt, die direkt in den korrekt platzierten Meso-Netzknoten hineinführt, vor dem das Fahrzeug anhält. Die korrekte Meso-Grenzzeitlücke wirkt.
- Falsch modelliert: Die Modellierung im rechten Bild ermöglicht dem Fahrzeug nicht, die relevante Meso-Kante wahrzunehmen. Für die Konflikte im Meso-Netzknoten, beispielsweise für die Einfahrt des Fahrzeugs auf die Kreisfahrbahn, kann das Fahrzeug nur nicht relevante Meso-Kanten wahrnehmen (die drei gelb gekennzeichneten Meso-Kanten, die links, oben und rechts in den Meso-Netzknoten hineinführen). Das Fahrzeug kann jedoch nicht die relevante Kante wie im Bild links wahrnehmen. Damit kann das Fahrzeug keine korrekte Meso-Grenzzeitlücke berücksichtigen. Das Fahrzeug hält vor dem Meso-Netzknoten an und gewährt für die von rechts, oben und links einfahrenden Fahrzeuge die Vorfahrt, weil es nur deren Meso-Kanten wahrnimmt.
|
Richtig: Fahrzeug nimmt die relevante Meso-Kante wahr (gelb zwischen den unteren beiden Meso-Netzknoten)
|
Falsch: Fahrzeug kann nur nicht relevante Meso-Kanten wahrnehmen (gelb)
|
|---|---|
|
|
|
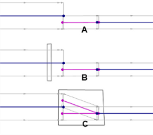
Knoten in Bereichen, in den sich die Anzahl der Fahrstreifen ändert
Bereiche, in denen sich die Anzahl der Fahrstreifen ändert, können unterschiedlich modelliert sein und wirken damit unterschiedlich auf die Dynamische Umlegung mit mesoskopischer Simulation. Dies zeigt die folgende Abbildung und erläutert die Beschreibung in der Tabelle darunter.
Verbindungsstrecke verbindet eine zweistreifige Strecke mit einer einstreifigen Strecke:
Das Fahrzeug darf den Fahrstreifen nur am Ende eines Meso-Knotens wechseln. Dies gilt für automatisch von Vissim erzeugte Meso-Knoten sowie für modellierte Meso-Netzknoten (Mesoskopisches Knoten-Kanten-Modell).
| Modellierung | Situation | Mesoskopische Simulation |
|---|---|---|
| A |
|
|
| B |
|
|
| C |
|
|
Verbindungsstrecke verbindet eine einstreifige Strecke mit einer zweistreifigen Strecke:
| Modellierung | Situation | Mesoskopische Simulation |
|---|---|---|
| D |
|
|
| E |
|
|
Verbindungsstrecken in Meso-Netzknoten modellieren
| Regel | Beschreibung | |
|---|---|---|
| 1 |
Meso-Netzknoten müssen überall dort definiert werden, wo auf einer Strecke mehr als eine Verbindungsstrecke beginnt oder endet. |
|
|
|
|
|
|
Richtig:
|
Falsch:
|
|
| Regel | Beschreibung | |
|---|---|---|
| 1 |
Meso-Netzknoten müssen überall dort definiert werden, wo auf einer Strecke mehr als eine Verbindungsstrecke beginnt oder endet. |
|
|
|
|
|
|
Richtig:
|
Falsch:
|
|
| Regel | Beschreibung | |
|---|---|---|
| 1 |
Meso-Netzknoten müssen überall dort definiert werden, wo auf einer Strecke mehr als eine Verbindungsstrecke beginnt oder endet. |
|
|
|
Wenn der Übergang von einer Strecke mit einem Fahrstreifen in eine Strecke mit zwei Fahrstreifen über zwei Verbindungsstrecken modelliert ist, müssen diese vollständig im Knoten liegen. |
|
|
Richtig:
|
Falsch:
|
|
| Regel | Beschreibung | |
|---|---|---|
| 3 |
Auf Abbieger-Meso-Kanten dürfen sich nicht ändern:
|
|
|
|
|
|
|
Richtig:
|
Falsch:
|
|
Signalisierten Knotenpunkt modellieren
| Regel | Beschreibung | |
|---|---|---|
| 2 |
Für jeden Knotenpunkt muss mindestens ein Meso-Netzknoten definiert werden. Abhängig von der Knotengeometrie können mehrere Meso-Netzknoten benötigt werden. |
|
Im rechten Bild unten bedeutet das: Wenn die Signalgeber 10 m vor dem Meso-Netzknoten des Knotenpunkts liegen, erzeugt Vissim an den Signalgebern automatisch einen Meso-Knoten. Damit ist die Kante zwischen beiden Knoten 10 m lang. Ein Fahrzeug, das mit 10 m/s fährt, hat auf dieser Kante eine Reisezeit von 1 s. Diese eine Sekunde würde als Grenzzeitlücke auf das von rechts kommende und nach links abbiegende Fahrzeug unabhängig davon wirken, welche Meso-Grenzzeitlücke tatsächlich definiert ist, da dieses Fahrzeug nicht über den Meso-Knoten hinaus erkennt, ob sich ein Fahrzeug von links nähert, dem es Vorfahrt gewähren muss. Die Grenzzeitlücke von 1 s ist jedoch für das Gewähren der Vorfahrt zu kurz. Lösungen: Platzieren Sie Signalgeber innerhalb des Meso-Netzknotens oder reduzieren Sie die Distanz zwischen Signalgeber und Meso-Netzknoten unter 5 m oder stellen Sie sicher, dass die Länge der Kante, die in den Knoten hineinführt, so lang ist, dass die Reisezeit auf dieser Kante größer ist, als die Meso-Grenzzeitlücke des Abbiegekonflikts im Knoten. |
||
|
Richtig: Die Signalgeber sind im Meso-Netzknoten platziert oder maximal 5 m davon entfernt
|
Nicht empfohlen: Die Signalgeber sind mehr als 5 m vom Meso-Netzknoten platziert
|
|
Knotenpunkt mit Fahrstreifenaufweitung modellieren
| Regel | Beschreibung | |
|---|---|---|
| 2 |
Für jeden Knotenpunkt muss mindestens ein Meso-Netzknoten definiert werden. Abhängig von der Knotengeometrie können mehrere Meso-Netzknoten benötigt werden. |
|
|
||
|
Richtig:
|
Falsch:
|
|
Knotenpunkt mit Bypass und Dreiecksinsel modellieren
| Regel | Beschreibung | |
|---|---|---|
| 2 |
Für jeden Knotenpunkt muss mindestens ein Meso-Netzknoten definiert werden. Abhängig von der Knotengeometrie können mehrere Meso-Netzknoten benötigt werden. |
|
|
||
|
Richtig:
|
Nicht empfohlen:
|
|
Kreisverkehre modellieren
|
Hinweis: Die folgenden Hinweise für die Modellierung von Kreisverkehren beziehen sich auf Kreisverkehre mit geringer Komplexität, beispielsweise mit nur einem Fahrstreifen, ohne oder nur einem Bypass oder mit wenigen Einfahrten und Ausfahrten. Für komplexere Kreisverkehre oder Kreisverkehre, deren Konflikte mit der mesoskopischen Simulation nicht ausreichend zu einer korrekten Abbildung von Konflikten in der mesoskopischen Simulation führen, können Sie Ausschnitte definieren und eine Hybrid-Simulation durchführen (Hybrid-Simulation verwenden). |
| Regel | Beschreibung | |
|---|---|---|
| 2 |
Für jeden Knotenpunkt muss mindestens ein Meso-Netzknoten definiert werden. Abhängig von der Knotengeometrie können mehrere Meso-Netzknoten benötigt werden. |
|
|
||
|
Richtig:
|
Falsch:
|
|
Modellieren Sie Meso-Netzknoten für einen Kreisverkehr abhängig von der Distanz zwischen der Ausfahrt und der nächsten Einfahrt entweder nach Ansatz A oder Ansatz B. Dies zeigen die folgenden Abbildungen und erläutern die Beschreibungen darunter:
| Beschreibung Ansatz A | |
|---|---|
|
Wenn die Distanz zwischen der Ausfahrt und der stromabwärts darauf folgenden Einfahrt ausreichend groß ist, definieren Sie einen einzelnen Meso-Netzknoten für die Ausfahrt und die Einfahrt. Dies trifft in folgenden Fällen zu:
|
|
|
Richtig:
txy > tGZ(y) or tbx < txy
|
Wenn Sie ein Netz aus Visum exportieren und mit dem ANM-Import in Vissim importieren, erzeugt Vissim automatisch Meso-Netzknoten basierend auf Ansatz A. Sie müssen diese Meso-Netzknoten nicht nachträglich bearbeiten (Erzeugte Netzobjekte aus dem ANM-Import). Die Tabelle zeigt am Beispiel einiger Geschwindigkeiten die minimale Distanz zwischen der Ausfahrt x und der nächsten stromabwärts folgenden Einfahrt y bei einer Grenzzeitlücke von 3.5 s, damit Ansatz A mit Bedingung 1 erfüllt ist:
| Geschwindigkeit Fz auf der Kreisfahrbahn | min. Distanz [m] x-y damit Bedingung 1 erfüllt ist | |
|---|---|---|
| m/s | km/h | |
| 1 | 3.6 | 3.5 |
| 2 | 7.2 | 7.0 |
| 3 | 10.8 | 10.5 |
| 5 | 18 | 17.5 |
| 7 | 25.2 | 24.5 |
| 10 | 36 | 35.0 |
| 14 | 50.4 | 49 |
| Beschreibung Ansatz B | |
|---|---|
|
Wenn die Distanz zwischen der Ausfahrt und der stromabwärts darauf folgenden Einfahrt nicht ausreichend groß ist, definieren Sie einen gemeinsamen Meso-Netzknoten für die Ausfahrt und die Einfahrt. Dies trifft zu, wenn die beiden folgenden Fällen gleichzeitig auftreten:
|
|
|
Richtig:
tbx > txy and txy < tGZ(y)
|
Die beiden folgenden Abbildungen zeigen falsche Ansätze für die Definition von Meso-Netzknoten. Diese Ansätze führen nicht zu einer korrekten Abbildung von Konflikten in der mesoskopischen Simulation:
|
Falscher Ansatz 1: Die Distanz zwischen der Einfahrt und der stromabwärts darauf folgenden Ausfahrt ist nicht ausreichend groß. Dadurch entstehen an jedem Knoten zu viele Konflikte:
Lösung: Wenn die Einfahrt und die stromabwärts folgende Ausfahrt sehr nahe beieinander liegen, modellieren Sie nach Ansatz A, auch wenn zwischen den Meso-Netzknoten kurze Kanten entstehen. Dabei gibt es an jedem der beiden Meso-Netzknoten nur jeweils einen Konflikt an der Einmündung oder der Verzweigung. An der Verzweigung ist die kurze Kante nicht störend, die aus dem Meso-Netzknoten herausführt. |
|
|
|
|
|
Bild unten Falscher Ansatz 2: Nur ein Meso-Netzknoten ist für alle Konflikte im Kreisverkehr modelliert. Folge: Konflikte werden nicht realistisch abgebildet, Fahrzeuge halten an falschen Stellen und für Konflikte werden nicht relevante Kanten für die Zeitlücke wahrgenommen. |
|
|
|
Langsamfahrbereiche auf Strecken modellieren
| Beschreibung | |
|---|---|
|
|
|
|
|
LSA auf Strecken modellieren
| Beschreibung | |
|---|---|
|
|
|
Übergeordnetes Thema:
Mesoskopische Simulation verwenden
Informationen zum Bearbeiten:
Das Fahrzeug kommt von unten und biegt nach links oben ab:
